ACP-100
OPTICAL LASER SENSOR
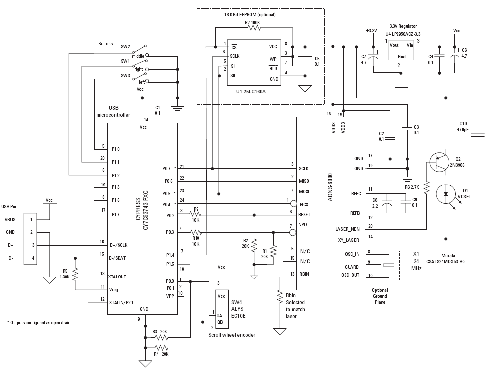
An optical laser motion sensor like the Agilent ADNS 6000 is a very sophisticated possibility to touchlessly detect motion speed.
Since those sensors are built in many modern pc-mice, this part of high-tech is available at incredibly low prices.
The Keysonic Warp Laser Mouse is sold for 16€ and includes everything you need, even the usb-serial communication driver.
The only thing I am not sure about, is the way of the data into the pc. As DGA access is a quite comfortable way, a self-
programmed device driver will have definetly less latency, and capturing of x and y motion information on a regular basis is
mandatory to guess the velocity right. See the software-section for more details on this later.
To make it short, laser mice are the first computer mice that suit our needs. Ball mice are too unprecise and normal optical
mice do not support the high resolution and picture rate, and though, high speeds (up to 0.4 m/s at 33 RPM and 100% speed) and
high resolutions can not be realised. Keysonic states to capture 6.700 fps at 1.600 dpi, making it possible to read input
speeds of up to 0.71 m/s which is enough to pitch a 12inch LP at 33 RPM to about 175% of its normal speed.
Thanks to integrated circuits, laser-mice are not the outstanding example for highly complex computer pheripheria any more.
Basically the have none less than those parts installed nowadays.

